
With a sensing range of 0-25mm, the CM35 Capacitive Proximity Switch offers a wide detection range, making it suitable for various industrial automation applications. It provides accurate and consistent detection capabilities, ensuring efficient and precise operation in assembly lines, packaging systems, robotics, and other industrial processes.
When connecting to power supply, RC oscillator does not work. When an object is clos eto capacitor electrode, the capacitor capacity will increase, and the oscillator will vibrate. Through the treatment of behind stage circuit, both signals of stop oscillation and oscillation will be converted to switch signs for checking the existence of object. this distance can be obtained, but to nonmetal object, the action distance is d etermined by material dielectric constant, the more dielectric constant, the more action distance will be obtained.
| Structural category | Object | Inductive surface | RC oscillator | Switching stage | Magnified output stage |
| Outward appearance illustration | ![]() |
||||

| Materials | Dielectric constant | Materials | Dielectric constant | Materials | Dielectric constant | Materials | Dielectric constant |
| Synthectic resin adhesive | 3.6 | Styrene | 3 | Alcohol | 25.8 | Polyvinyl | 2 9 |
| Mica | 6 | Prorcelain | 4.4 | Glass | 5 | Quartz glass | 3 7 |
| Ebonite | 4 | Petrolin | 2.2 | Cardboard | 4.5 | Silicon | 2.8 |
| Marble | 8 | Quartz sand | 4.5 | Cable rubber compound | 2.5 | ||
| Paper | 2.3 | Soft rubber | 2.5 | Gasoline | 2.2 | ||
| Organic glass | 3.2 | Water | 80 | Wood | 2.7 |

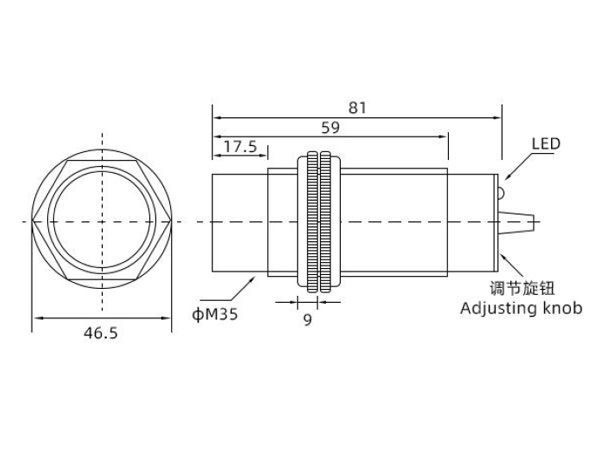
| Model | CM35 | |||
| Dimension | ![]() |
|||
| Sense distance | 0~25mm±10% | |||
| Non-flush type | DC10~30VDC | NPN | NO | CM35-3025NA |
| NC | CM35-3025NB | |||
| NO+NC | CM35-3025NC | |||
| PNP | NO | CM35-3025PA | ||
| NC | CM35-3025PB | |||
| NO+NC | CM35-3025PC | |||
| Two-wire system | NO | CM35-3025LA | ||
| NC | CM35-3025LB | |||
| AC90~250VAC | NO | CM35-2025A | ||
| NC | CM35-2025B | |||
| NO+NC | CM35-2025C | |||
| Output current | DC | 200mA | ||
| AC | 300mA | |||
| Output voltage peak | Dc type below 3V, Ac type below 7V DC<3V, AC<7V | |||
| Consumption current | DC type 8mA at 12V, 15mA at 24V, AC below 10mA DC<15mA, AC<10mA | |||
| Standard detected object | Conductors and dielectric materials | |||
| Repeatability | 0.05 | |||
| Response frequency | DC50Hz/AC10Hz | |||
| Ambient temperature | -25℃-+75℃ | |||
| Insulation resistance | 50MΩ | |||
| Shell material | ABS Resin | |||
| Protection grade | IP54 | |||
